A-type clamp butterfly valve is a butterfly valve installed through clamp flange connection, adopting a medium line design, and the valve plate can rotate 90 ° for rapid opening and closing. Its structure is compact and lightweight, suitable for low-pressure and low-temperature ordinary media (such as water and air), relying on rubber or soft seals to achieve basic cutoff function. It has the characteristics of economic practicality and easy maintenance, but cannot meet the requirements of high-pressure, high-temperature or highly corrosive working conditions.





Part Name | material |
valve body | Grey cast iron, ductile iron |
valve plate | gray cast iron |
valve stem | stainless steel |
sealing surface | NBR、EPDM、 fluororubber |
filler | V-shaped combination sealing ring, flexible graphite |

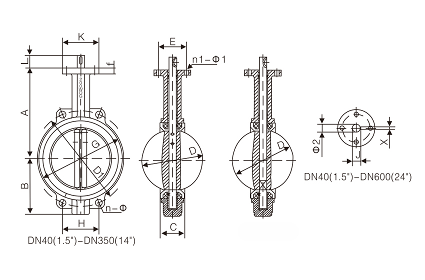
NominalDiameter | A | B | C | D | L | H | D1 | n-Φ | K | E | n1-Φ1 | Φ2 | G | f | J | X | weight | |
mm | inch | |||||||||||||||||
40 | 1.5 | 136 | 69 | 33 | 42.6 | 30 | 77.77 | 110 | 4-18 | 77 | 50 | 4-6.7 | 12.6 | 100 | 13 | 13.8 | 3 | 2.3 |
50 | 2 | 161 | 80 | 43 | 52.9 | 32 | 84.84 | 125 | 4-23 | 77 | 57.15 | 4-6.7 | 12.6 | 100 | 13 | 13.8 | 3 | 2.5 |
65 | 2.5 | 175 | 89 | 46 | 64.5 | 32 | 96.2 | 145 | 4-26.5 | 77 | 57.15 | 4-6.7 | 12.6 | 120 | 13 | 13.8 | 3 | 3.2 |
80 | 3 | 181 | 95 | 46 | 78.8 | 32 | 61.23 | 160 | 8-18 | 77 | 57.15 | 4-6.7 | 12.6 | 127 | 13 | 13.8 | 3 | 3.6 |
100 | 4 | 200 | 114 | 52 | 104 | 32 | 70.8 | 180 | 4-24.5 | 92 | 69.85 | 4-10.3 | 15.77 | 156 | 13 | 17.77 | 5 | 4.9 |
125 | 5 | 213 | 127 | 56 | 123.3 | 32 | 82.28 | 210 | 4-23 | 92 | 69.85 | 4-10.3 | 18.92 | 190 | 13 | 20.92 | 5 | 7 |
150 | 6 | 226 | 139 | 56 | 155.6 | 32 | 91.08 | 240 | 4-25 | 92 | 69.85 | 4-10.3 | 18.92 | 212 | 13 | 20.92 | 5 | 7.8 |
200 | 8 | 260 | 175 | 60 | 202.5 | 45 | 112.89 | 295 | 4-25 | 115 | 88.9 | 4-14.3 | 22.1 | 268 | 13 | 24.1 | 5 | 13.2 |
250 | 10 | 292 | 203 | 68 | 250.5 | 45 | 92.4 | 359 | 4-29 | 115 | 88.9 | 4-14.3 | 28.45 | 325 | 13 | 31.45 | 8 | 19.2 |
300 | 12 | 337 | 242 | 78 | 301.6 | 45 | 105.34 | 400 | 4-29 | 140 | 107.95 | 4-14.3 | 31.6 | 403 | 20 | 34.6 | 8 | 32.5 |
350 | 14 | 368 | 267 | 78 | 333.3 | 45 | 91.11 | 460 | 4-30 | 140 | 107.95 | 4-14.3 | 31.6 | 436 | 20 | 34.6 | 8 | 41.3 |
400 | 16 | 400 | 309 | 86 | 389.6 | 51.2 | 100.47 | 515 | 4-26 | 197 | 158.75 | 4-20.6 | 33.15 | 488 | 20 | 36.15 | 10 | 61 |
450 | 18 | 422 | 328 | 105 | 440.51 | 51.2 | 88.39 | 565 | 4-26 | 197 | 158.75 | 4-20.6 | 37.95 | 536 | 20 | 41 | 10 | 79 |
500 | 20 | 480 | 361 | 127 | 491.6 | 64.2 | 86.99 | 620 | 4-26 | 197 | 158.75 | 4-20.6 | 41.15 | 590 | 22 | 44.15 | 10 | 128 |
600 | 24 | 562 | 459 | 154 | 592.5 | 70.2 | 113.42 | 725 | 20-30 | 276 | 215.9 | 4-22.2 | 50.65 | 816 | 22 | 54.65 | 16 | 188 |
700 | 28 | 624 | 520 | 165 | 695 | 66 | 109.65 | 840 | 24-30 | 300 | 254 | 8-18 | 63.35 | 895 | 30 | 71.4 | 18 | 284 |
800 | 32 | 672 | 591 | 190 | 794.7 | 66 | 124 | 950 | 24-33 | 300 | 254 | 8-18 | 63.35 | 1015 | 30 | 71.4 | 18 | 368 |
900 | 36 | 720 | 656 | 203 | 864.7 | 118 | 117.57 | 1050 | 24-33 | 300 | 254 | 8-18 | 75 | 1115 | 34 | 84 | 20 | 713 |
1000 | 40 | 800 | 721 | 216 | 965 | 142 | 129.89 | 1160/1170 | 24-36 | 300 | 254 | 8-18 | 85 | 1230 | 35 | 95 | 22 | 864 |
1200 | 48 | 940.7 | 864 | 254 | 1160 | 150 | 101.5 | 1380/1390 | 32-39 | 350 | 298 | 8-22 | 105 | 1455 | 35 | 117 | 28 | 1210 |
Note: The pressure range is 1.0MPa~2.5MPa. The above data is for reference only. Please consult the company's sales department for details.
Oil and gas transportation involves multiple modes such as pipelines and ships, and is the core link of the energy supply chain.

The control of chemical raw materials covers the entire process of mining, storage, and production, ensuring safety and process stability.

High temperature steam pipelines are the core of energy transmission in power systems, supporting the efficient operation of thermal and nuclear power plants.

Valves control fluids in multiple industries such as new energy and electronics, ensuring safe and efficient production.


