The national standard globe valve is a mandatory sealed valve manufactured according to national standards (such as GB12235), which achieves zero leakage in the closed state by applying pressure to the valve disc. The valve body is made of forged steel/stainless steel material, and the sealing surface is welded with cobalt based hard alloy (such as Stellite), which has the characteristics of wear resistance, high temperature resistance (≤ 570 ℃) and corrosion resistance. Suitable for fluid cutting or regulation in industries such as petroleum, chemical, and power. The valve stem is tempered and nitrided to prevent deformation during operation, and has a compact structure (the valve disc stroke is 25% -30% of the nominal diameter when fully opened) to improve opening and closing efficiency.





Product Type | Part Name | |||||||
Valve body Valve cover | valve stem | valve disc | sealing surface | stem nut | filler | fastener | handwheel | |
J41HY-C type J941HY-C type | 25、WCB | chromiu stainless steel | 2Cr13 | H: Stainless steel Y: Cobalt based hard alloy steel | aluminum bronze | flexible graphite | high-qualit carbon steel | malleable cast iron |
J41W-P type J941W-P type | Chromium nickel titanium steel | Chromium nicke titanium steel | Chromium nickel titanium steel | Chromium nicke titanium steel | stainless steel | |||
J41W-R type | Ci Ni Mo Ti Steel | Ci Ni Mo Ti Steel | Ci Ni Mo Ti Steel | Ci Ni Mo Ti Steel | stainless steel | |||
J41Y-I type J941Y-I type | chromium- molybdenum steel | chromium- molybdenum steel | alloy steel | Cobalt based hard alloy steel | alloy steel | |||

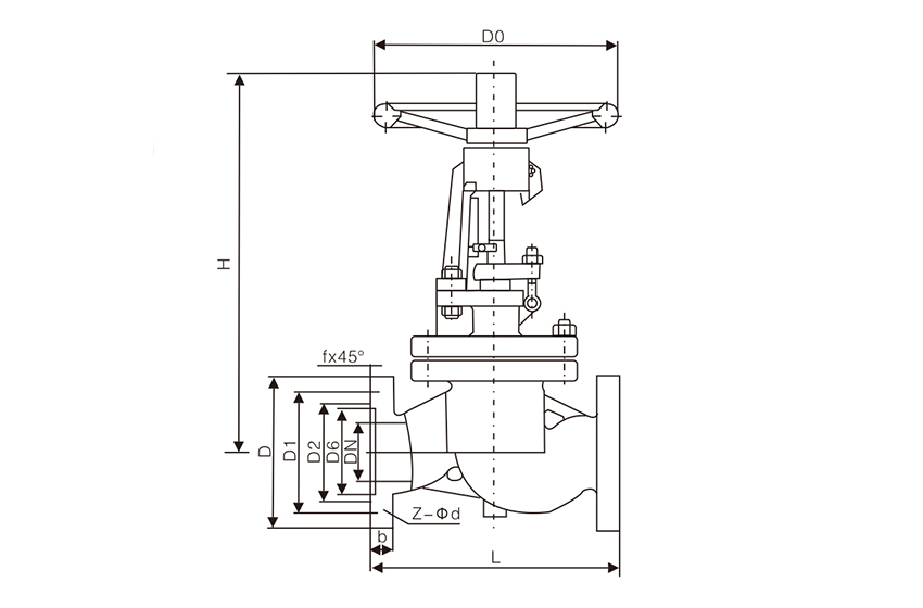
Nominal diameter DN (mm) | Main external dimensions and connection dimensions (mm) | ||||||||
L | D | D1 | D2 | b | f | Z-Φd | H | D0 | |
PN1.6MPa | |||||||||
10 | 130 | 90 | 60 | 40 | 14 | 2 | 4-14 | 198 | 120 |
15 | 130 | 95 | 65 | 45 | 14 | 2 | 4-14 | 218 | 120 |
20 | 150 | 105 | 75 | 55 | 14 | 2 | 4-14 | 258 | 140 |
25 | 160 | 115 | 85 | 65 | 14 | 2 | 4-14 | 275 | 140 |
32 | 180 | 135 | 100 | 78 | 16 | 2 | 4-18 | 280 | 160 |
40 | 200 | 145 | 110 | 85 | 16 | 3 | 4-18 | 330 | 180 |
50 | 230 | 160 | 125 | 100 | 16 | 3 | 4-18 | 350 | 200 |
65 | 290 | 180 | 145 | 120 | 18 | 3 | 4-18 | 400 | 280 |
80 | 310 | 195 | 160 | 135 | 20 | 3 | 8-18 | 355 | 280 |
100 | 350 | 215 | 180 | 155 | 20 | 3 | 8-18 | 415 | 320 |
125 | 400 | 245 | 210 | 185 | 22 | 3 | 8-18 | 460 | 360 |
150 | 480 | 280 | 240 | 210 | 24 | 3 | 8-23 | 510 | 450 |
200 | 600 | 335 | 295 | 265 | 26 | 3 | 12-23 | 710 | 500 |
250 | 650 | 405 | 355 | 320 | 30 | 3 | 12-23 | 786 | 550 |
300 | 750 | 460 | 410 | 375 | 30 | 3 | 12-23 | 925 | 600 |
350 | 850 | 520 | 470 | 435 | 34 | 4 | 16-25 | 980 | 700 |
400 | 950 | 580 | 525 | 485 | 36 | 4 | 16-30 | 1030 | 800 |
450 | 1200 | 640 | 585 | 545 | 40 | 4 | 20-30 | 1080 | 1000 |
500 | 1250 | 705 | 650 | 608 | 44 | 4 | 20-34 | 1140 | 1300 |
Note: The pressure range is 1.6MPa~16.0MPa. The above data is for reference only. Please consult the company's sales department for details.
Oil and gas transportation involves multiple modes such as pipelines and ships, and is the core link of the energy supply chain.

The control of chemical raw materials covers the entire process of mining, storage, and production, ensuring safety and process stability.

High temperature steam pipelines are the core of energy transmission in power systems, supporting the efficient operation of thermal and nuclear power plants.

Valves control fluids in multiple industries such as new energy and electronics, ensuring safe and efficient production.


