A jacket insulated globe valve is a type of valve that adds a fully enclosed metal jacket on the outer layer of a regular globe valve body. By circulating steam, heat transfer oil, or cooling medium inside the jacket, the temperature inside the valve is maintained (-50 ℃ to 600 ℃) to prevent crystallization and blockage of high viscosity or easily solidified media (such as asphalt and heavy oil). It adopts a corrugated pipe seal and a secondary seal design with packing to achieve zero leakage, suitable for industrial scenarios such as petroleum and chemical industries that require high temperature and high pressure (≤ 4.0MPa, ≤ 425 ℃) and highly corrosive media.






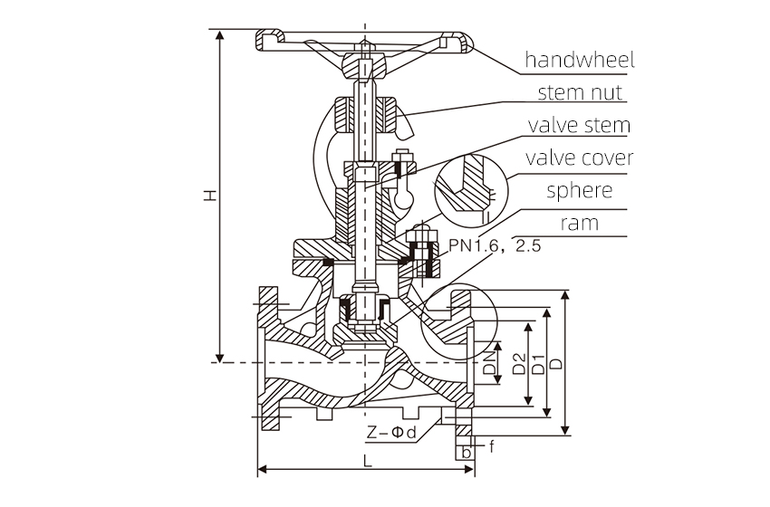
Valve body、valve cover | valve disc | shim |
304 CF8 | 304+hard alloy | stainless steel gasket |
316 316L | 316, 316L+hard alloy | stainless steel gasket |

Nominal diameter DN (mm) | PN1.6MPa | ||||||
L | D | D1 | D2 | b-f | Z-Φd | H | |
15 | 130 | 95 | 65 | 45 | 16-2 | 4-14 | 170 |
20 | 150 | 105 | 75 | 55 | 16-2 | 4-14 | 190 |
25 | 160 | 115 | 85 | 65 | 16-2 | 4-14 | 205 |
32 | 180 | 135 | 100 | 78 | 18-2 | 4-18 | 270 |
40 | 200 | 145 | 110 | 85 | 18-3 | 4-18 | 310 |
50 | 230 | 160 | 125 | 100 | 18-3 | 4-18 | 358 |
65 | 290 | 180 | 145 | 120 | 18-3 | 4-18 | 373 |
80 | 310 | 195 | 160 | 135 | 20-3 | 8-18 | 435 |
100 | 350 | 215 | 180 | 155 | 20-3 | 8-18 | 500 |
125 | 400 | 245 | 210 | 185 | 22-3 | 8-18 | 614 |
150 | 480 | 280 | 240 | 210 | 24-3 | 8-23 | 674 |
200 | 600 | 335 | 295 | 265 | 26-3 | 12-23 | 818 |
250 | 730 | 405 | 355 | 320 | 30-3 | 12-25 | 969 |
PN2.5MPa | |||||||
15 | 130 | 95 | 65 | 45 | 16-2 | 4-14 | 233 |
20 | 150 | 105 | 75 | 55 | 16-2 | 4-14 | 275 |
25 | 160 | 115 | 85 | 65 | 16-2 | 4-14 | 285 |
32 | 180 | 135 | 100 | 78 | 18-2 | 4-18 | 302 |
40 | 200 | 145 | 110 | 85 | 18-3 | 4-18 | 355 |
50 | 230 | 160 | 125 | 100 | 20-3 | 4-18 | 362 |
65 | 290 | 180 | 145 | 120 | 22-3 | 8-18 | 400 |
80 | 310 | 195 | 160 | 135 | 22-3 | 8-18 | 430 |
100 | 350 | 230 | 190 | 160 | 24-3 | 8-23 | 465 |
125 | 400 | 270 | 220 | 188 | 28-3 | 8-25 | 550 |
150 | 480 | 300 | 250 | 218 | 30-3 | 8-25 | 700 |
200 | 600 | 360 | 310 | 278 | 34-3 | 12-25 | 780 |
250 | 730 | 425 | 370 | 335 | 36-3 | 12-30 | 900 |
Note: The above data is for reference only. For details, please consult the company's sales department.
Oil and gas transportation involves multiple modes such as pipelines and ships, and is the core link of the energy supply chain.

The control of chemical raw materials covers the entire process of mining, storage, and production, ensuring safety and process stability.

High temperature steam pipelines are the core of energy transmission in power systems, supporting the efficient operation of thermal and nuclear power plants.

Valves control fluids in multiple industries such as new energy and electronics, ensuring safe and efficient production.


