Liquid ball valve
A valve designed specifically for liquid media, which can be opened and closed by rotating a ball with a through-hole. It is made of corrosion-resistant materials (such as stainless steel and PTFE seals) and has an anti leakage structure. It is suitable for liquid transportation systems such as water, oil, acid and alkali, and is resistant to high pressure with reliable sealing.
Gas ball valve
Valves specifically designed for gas (natural gas, liquefied gas, etc.), with anti-static and fire-resistant treatment on the ball and seat, made of copper alloy or stainless steel, with dual sealing and explosion-proof design, strictly complying with gas safety standards to prevent gas leakage and explosion risks.







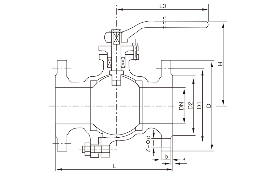
Valve body and valve cover | Valve stem, sphere | sealing surface | filler |
WCB | stainless steel | Stainless steel and polytetrafluoroethylene | Polytetrafluoroethylene |

Nominal Diameter | PN2.5MPa | weight (kg) | ||||||||
L | D | D1 | D2 | Z-Φd | H | F | b | D0 | ||
15 | 130 | 95 | 65 | 45 | 4-14 | 103 | 2 | 16 | 100 | 3 |
20 | 140 | 105 | 75 | 55 | 4-14 | 112 | 2 | 16 | 160 | 4 |
25 | 150 | 115 | 85 | 65 | 4-14 | 123 | 2 | 16 | 160 | 5 |
32 | 165 | 135 | 100 | 78 | 4-18 | 150 | 3 | 18 | 250 | 8 |
40 | 180 | 145 | 110 | 85 | 4-18 | 156 | 3 | 18 | 250 | 11 |
50 | 200 | 160 | 125 | 100 | 4-18 | 172 | 3 | 20 | 350 | 14 |
65 | 220 | 180 | 145 | 120 | 8-18 | 197 | 3 | 22 | 350 | 20 |
80 | 250 | 195 | 160 | 135 | 8-18 | 222 | 3 | 22 | 450 | 28 |
100 | 320 | 230 | 190 | 160 | 8-23 | 253 | 4 | 24 | 450 | 36 |
125 | 400 | 270 | 220 | 188 | 8-25 | 286 | 4 | 28 | 600 | 62 |
150 | 400 | 300 | 250 | 218 | 8-25 | 275 | 4 | 30 | 800 | 80 |
Note: The above data is for reference only. For details, please consult the company's sales department.
Oil and gas transportation involves multiple modes such as pipelines and ships, and is the core link of the energy supply chain.

The control of chemical raw materials covers the entire process of mining, storage, and production, ensuring safety and process stability.

High temperature steam pipelines are the core of energy transmission in power systems, supporting the efficient operation of thermal and nuclear power plants.

Valves control fluids in multiple industries such as new energy and electronics, ensuring safe and efficient production.


