Essence: An automatic valve with a sphere as the opening and closing element, which pushes the sphere open through the forward flow of the medium, and when the medium flows in the reverse direction, the self weight of the sphere or the pressure of the medium resets and seals. It uses a through flow channel and a rolling design of the sphere to achieve ultra-low flow resistance, and has both check and energy-saving functions.
Core features:
Low flow resistance and high efficiency: The full diameter flow channel is unobstructed, with minimal pressure drop loss, suitable for high flow and low flow rate scenarios;
Quick sealing response: The ball rolling valve has a sensitive closing action, and the sealing surface fits tightly, reducing the risk of water hammer impact and leakage;
Durable and maintenance free: The spheres are mostly made of stainless steel or engineering plastics, which are wear-resistant, corrosion-resistant, and have high long-term stability during operation.
Typical applications: Pipeline systems that require low energy consumption, high reliability, and backflow prevention, such as water supply and drainage, chemical engineering, HVAC, etc.






Part Name | valve body | valve disc | spring | valve seat |
material | Cast iron, ductile iron, cast steel | Cast copper, stainless steel | stainless steel | Copper, stainless steel |

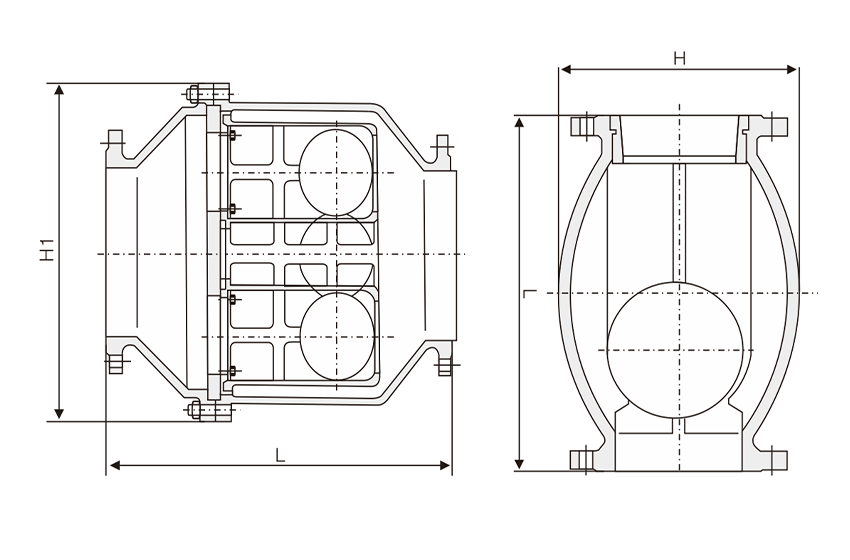
Nominal Diameter | L | H | H1 |
40 | 140 | 200 | 88 |
50 | 150 | 215 | 98 |
65 | 170 | 225 | 108 |
80 | 180 | 235 | 118 |
100 | 190 | 280 | 130 |
125 | 200 | 290 | 148 |
150 | 210 | 310 | 172 |
200 | 230 | 350 | 210 |
250 | 250 | 415 | 240 |
300 | 270 | 450 | 264 |
350 | 290 | 480 | 297 |
400 | 310 | 550 | 324 |
450 | 330 | 585 | 351 |
500 | 350 | 640 | 379 |
600 | 390 | 720 | 434 |
700 | 430 | 780 | 491 |
800 | 470 | 840 | 549 |
900 | 510 | 990 | 600 |
1000 | 550 | 1050 | 655 |
Note: The pressure range is 1.6MPa~2.5MPa. The above data is for reference only. Please consult the company's sales department for details.
Oil and gas transportation involves multiple modes such as pipelines and ships, and is the core link of the energy supply chain.

The control of chemical raw materials covers the entire process of mining, storage, and production, ensuring safety and process stability.

High temperature steam pipelines are the core of energy transmission in power systems, supporting the efficient operation of thermal and nuclear power plants.

Valves control fluids in multiple industries such as new energy and electronics, ensuring safe and efficient production.


