An automatic opening and closing valve that drives the vertical lifting and lowering of the valve disc through the flow pressure of the medium itself, achieving one-way flow and preventing medium backflow; Adopting a clamp type connection, the structure is short, compact, and lightweight, suitable for installation in horizontal or vertical pipelines. It has the characteristics of low flow resistance, fast closure, and low water hammer pressure.





valve body | valve disc | pressure ring | spring |
WCB(A105) | 2Cr13 | 2Cr13 | 0Cr18Nig |
ZG1Cr18Ni9Ti | 1Cr18Ni9Ti | 1Cr18Ni9Ti | OCr19NiP |
CF8(304) | 0Cr18Ni9 | OCr18Ni9 | 0Cr18Nig |
CF3(304L) | 00Cr19Ni10 | 00Cr19Ni10 | 00Cr19Ni10 |
ZG1Cr18Ni12Mo2Ti | 1Cr18NiMo2Ti | 1Cr18Ni12Mo2Ti | OCr18Ni12Mo2Ti |
ZG1Cr18Ni12Mo2Ti | 1Cr18NiMo2Ti | 1Cr18Ni12Mo2Ti | OCr18Ni12Mo2Ti |
CF3M(316L) | Q0Cr17Ni14Mo2 | 00Cr17Ni14Mo2 | 00Cr17Ni14M02 |

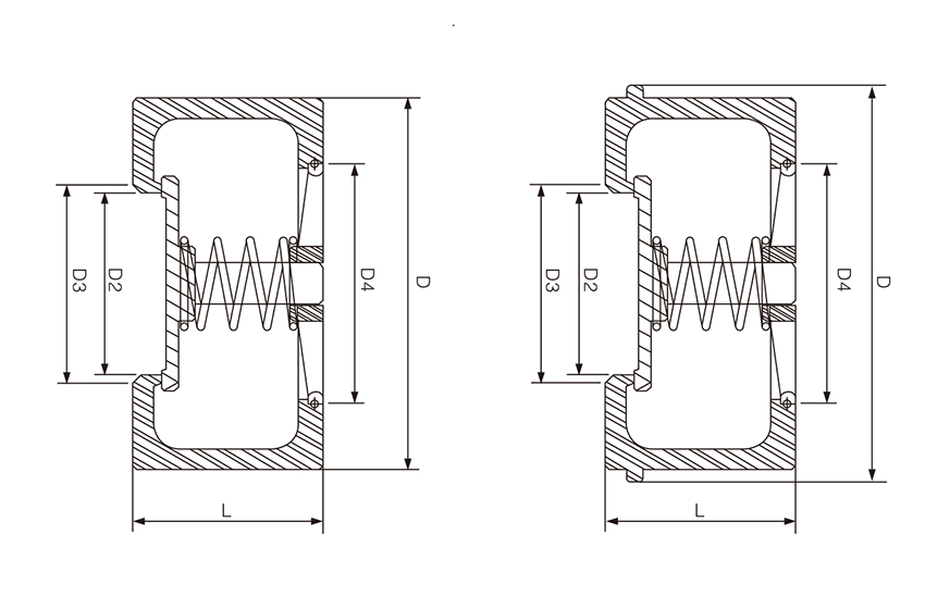
Nominal Diameter DN(mm) | L | D | D2 | D3 | D4 | weight | Piping flange (for reference) | |||
Center of bolt hole Circular diameter D1 | bolt | Bolt diameter d | Bolt length L1 | |||||||
PN1.0MPa PN1.6MPa (Long series) | ||||||||||
15 | 30 | 52 | 15 | 25 | 25 | 0.3 | 65 | 4 | M12 | 90 |
20 | 31 | 62 | 19 | 30 | 30 | 0.45 | 75 | 4 | M12 | 100 |
25 | 31.5 | 72 | 24 | 36 | 36 | 0.6 | 85 | 4 | M12 | 105 |
32 | 35 | 82 | 31 | 43 | 43 | 0.8 | 100 | 4 | M16 | 115 |
40 | 38 | 92 | 39 | 52 | 52 | 1.4 | 110 | 4 | M16 | 120 |
50 | 40 | 106 | 48 | 62 | 62 | 2.3 | 125 | 4 | M16 | 140 |
65 | 50 | 126 | 62 | 75 | 75 | 3 | 145 | 4 | M16 | 150 |
80 | 60 | 142 | 76 | 90 | 90 | 3.8 | 160 | 8 | M16 | 155 |
100 | 75 | 162 | 95 | 112 | 112 | 5 | 180 | 8 | M16 | 170 |
125 | 90 | 192 | 110 | 125 | 132 | 11 | 210 | 8 | M16 | 200 |
150 | 106 | 217 | 127 | 150 | 158 | 16 | 240 | 8 | M20 | 225 |
PN1.0MPa PN1.6MPa | ||||||||||
200 | 110 | 273 | 165 | 200 | 208 | 28 | 295 | 8 | M20 | 260 |
250 | ||||||||||
Note: The pressure range is 1.0MPa~16.0MPa. The above data is for reference only. Please consult the company's sales department for details.
Oil and gas transportation involves multiple modes such as pipelines and ships, and is the core link of the energy supply chain.

The control of chemical raw materials covers the entire process of mining, storage, and production, ensuring safety and process stability.

High temperature steam pipelines are the core of energy transmission in power systems, supporting the efficient operation of thermal and nuclear power plants.

Valves control fluids in multiple industries such as new energy and electronics, ensuring safe and efficient production.


