The national standard clamp butterfly valve is a centerline butterfly valve that complies with the Chinese national standard (GB). It is fixed between pipelines through clamp flanges, and the valve body and sealing surface are made of rubber or PTFE material. It is suitable for low-pressure, room temperature water, gas and other media, and has the characteristics of compact structure, reliable sealing, and convenient installation. It is widely used in general industrial fields such as water supply and drainage, HVAC, etc.






Part Name | material |
valve body | Cast iron, stainless steel, chromium molybdenum steel, alloy steel |
butterfly valve disc | Cast steel, alloy steel, stainless steel, chromium molybdenum steel |
sealing ring | Combination of stainless steel and high-temperature resistant asbestos board into multiple layers |
valve stem | 2Cr13, 1Cr13 stainless steel, chromium molybdenum steel |
bearing | Austenitic stainless steel, 304 nitriding |
filler | flexible graphite |

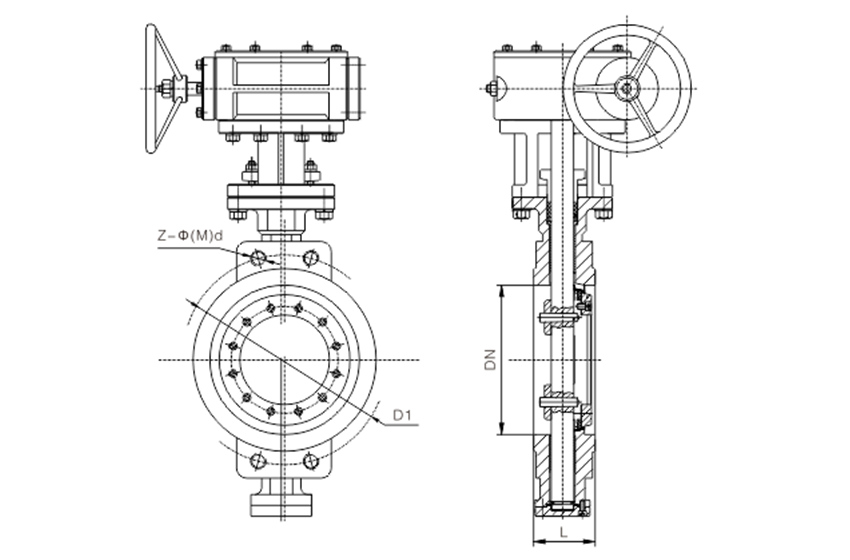
Nominal Diameter DN(mm) | Main dimensions | PNO.6MPa | PN1.0MPa | PN1.6MPa | |||||||||
L1 | L2 | H | H1 | D1 | D2 | Z-Φ(M)d | D1 | D2 | Z-Φ(M)d | D1 | D2 | Z-Φ(M)d | |
D373H/F、D673H/F、D973H/F | |||||||||||||
50 | 43 | 43 | 272 | 200 | 110 | 90 | 4-14 | 125 | 102 | 4-18 | 125 | 102 | 4-18 |
65 | 46 | 46 | 335 | 225 | 130 | 110 | 4-14 | 145 | 122 | 4-18 | 145 | 122 | 4-18 |
80 | 49 | 64 | 355 | 240 | 150 | 128 | 4-18 | 160 | 138 | 4-18 | 160 | 138 | 4-18 |
100 | 56 | 64 | 385 | 255 | 170 | 148 | 4-18 | 180 | 158 | 4-18 | 180 | 158 | 4-18 |
125 | 64 | 70 | 455 | 305 | 200 | 178 | 4-18 | 210 | 188 | 4-18 | 210 | 188 | 4-18 |
150 | 70 | 76 | 490 | 325 | 225 | 202 | 4-18 | 240 | 212 | 4-22 | 240 | 212 | 4-22 |
200 | 71 | 89 | 590 | 380 | 280 | 258 | 4-18 | 295 | 268 | 4-22 | 295 | 268 | 4-22 |
250 | 76 | 114 | 655 | 410 | 335 | 312 | 4-18 | 350 | 320 | 4-22 | 355 | 320 | 4-26 |
300 | 83 | 114 | 740 | 460 | 395 | 365 | 4-22 | 400 | 370 | 4-22 | 410 | 378 | 4-26 |
350 | 92 | 127 | 840 | 525 | 445 | 415 | 4-22 | 460 | 430 | 4-M20 | 470 | 438 | 4-M24 |
400 | 102 | 140 | 890 | 545 | 495 | 465 | 4-M20 | 515 | 482 | 4-M24 | 525 | 490 | 4-M27 |
450 | 114 | 152 | 1010 | 630 | 550 | 520 | 4-M20 | 565 | 532 | 4-M24 | 585 | 550 | 4-M27 |
500 | 127 | 152 | 1065 | 650 | 600 | 570 | 4-M20 | 620 | 585 | 4-M24 | 650 | 610 | 4-M30 |
600 | 154 | 178 | 1140 | 680 | 705 | 670 | 4-M24 | 725 | 685 | 4-M27 | 770 | 725 | 4-M33 |
700 | 165 | 229 | 1268 | 780 | 810 | 775 | 4-M24 | 840 | 800 | 4-M27 | 840 | 795 | 4-M33 |
800 | 190 | 241 | 1432 | 860 | 920 | 880 | 4-M27 | 950 | 905 | 4-M30 | 950 | 900 | 4-M36 |
900 | 203 | 241 | 1528 | 900 | 1020 | 980 | 4-M27 | 1050 | 1005 | 4-M30 | 1050 | 1000 | 4-M36 |
1000 | 216 | 300 | 1698 | 1000 | 1120 | 1080 | 4-M27 | 1160 | 1110 | 4-M33 | 1170 | 1115 | 4-M39 |
1200 | 254 | 360 | 1910 | 1100 | 1340 | 1295 | 4-M30 | 1380 | 1330 | 4-M36 | 1390 | 1330 | 4-M45 |
1400 | 279 | 390 | 2140 | 1200 | 1560 | 1510 | 4-M33 | 1590 | 1535 | 4-M39 | 1590 | 1530 | 4-M45 |
1600 | 318 | 440 | 2420 | 1330 | 1760 | 1710 | 4-M33 | 1820 | 1760 | 4-M45 | 1820 | 1750 | 4-M52 |
Note: The pressure range is 0.6MPa~6.4MPa. The above data is for reference only. Please consult the company's sales department for details.
Oil and gas transportation involves multiple modes such as pipelines and ships, and is the core link of the energy supply chain.

The control of chemical raw materials covers the entire process of mining, storage, and production, ensuring safety and process stability.

High temperature steam pipelines are the core of energy transmission in power systems, supporting the efficient operation of thermal and nuclear power plants.

Valves control fluids in multiple industries such as new energy and electronics, ensuring safe and efficient production.


