The "A" type butterfly valve is a basic model of butterfly valve, designed for low pressure and low temperature working conditions. The valve body material is mostly cast iron or cast steel, with weak sealing performance, suitable for ordinary medium cutoff scenarios with low sealing requirements.






Nominal Diameter | PM1.0/1.6MPa(150/200PSI) | weight | |||||||||||||||||
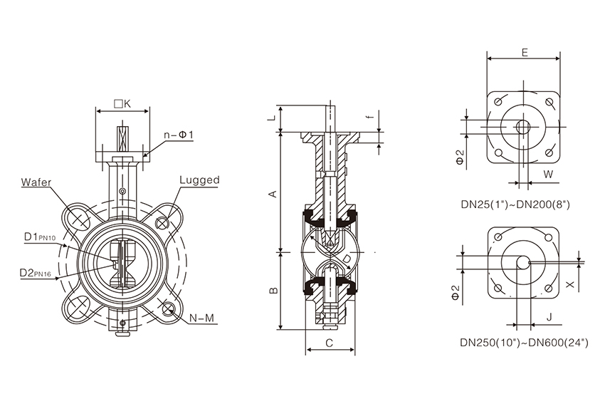
mm | inch | A | B | C | D | D1 | D2 | N-M | L | Φ2 | □K | E | n-Φ1 | f | J | W | X | type A | type LT |
25 | 1 | 110 | 55 | 33 | 24 | 85 | 85 | 4-M12 | 32 | 10 | 42 | 42 | 4-6 | 10 | - | 7 | - | 1.2 | 1.3 |
32 | 1.25 | 110 | 55 | 33 | 24 | 100 | 100 | 4-M16 | 32 | 10 | 42 | 42 | 4-6 | 10 | - | 7 | - | 1.4 | 1.6 |
40 | 1.5 | 125 | 73 | 33 | 39 | 110 | 110 | 4-M16 | 32 | 12.6 | 50 | 50 | 4-7 | 10 | - | 8.86 | - | 1.8 | 2.1 |
50 | 2 | 125 | 73 | 43 | 52 | 125 | 125 | 4-M16 | 32 | 12.6 | 50 | 50 | 4-7 | 10 | - | 8.86 | - | 2.3 | 2.8 |
65 | 2.5 | 136 | 82 | 46 | 64 | 145 | 145 | 4-M16 | 32 | 12.6 | 50 | 50 | 4-7 | 10 | - | 8.86 | - | 3.3 | 4.1 |
80 | 3 | 142 | 91 | 46 | 78 | 160 | 160 | 8-M16 | 32 | 12.6 | 50 | 50 | 4-7 | 10 | - | 8.86 | - | 3.7 | 5.2 |
100 | 4 | 163 | 106 | 52 | 104 | 180 | 180 | 8-M16 | 32 | 15.77 | 70 | 70 | 4-10 | 12 | - | 11.1 | - | 5.2 | 6.5 |
125 | 5 | 176 | 128 | 56 | 123 | 210 | 210 | 8-M16 | 32 | 18.92 | 70 | 70 | 4-10 | 12 | - | 12.7 | - | 7.5 | 8.6 |
150 | 6 | 196 | 143 | 56 | 155 | 240 | 240 | 8-M20 | 32 | 18.92 | 70 | 70 | 4-10 | 12 | - | 12.7 | - | 8.7 | 11 |
200 | 8 | 228 | 170 | 60 | 202 | 295 | 295 | 8-M20/12-M20 | 45 | 22.1 | 102 | 102 | 4-12 | 15 | - | 15.87 | - | 15 | 25 |
250 | 10 | 258 | 204 | 68 | 250 | 350 | 355 | 12-M20/12-M24 | 45 | 28.45 | 102 | 102 | 4-12 | 15 | 31.19 | - | 8 | 23 | 43 |
300 | 12 | 292 | 239 | 78 | 301 | 400 | 410 | 12-M20/12-M24 | 45 | 31.6 | 102 | 102 | 4-12 | 15 | 34.6 | - | 8 | 35 | 50 |
350 | 14 | 336 | 267 | 78 | 333.3 | 460 | 470 | 16-M20/16-M24 | 45 | 31.6 | 125 | 125 | 4-14 | 23 | 34.6 | - | 8 | 58 | 77 |
400 | 16 | 368 | 297 | 102 | 389.6 | 515 | 525 | 16-M24/16-M27 | 51 | 33.15 | 140 | 140 | 4-18 | 23 | 36.15 | - | 10 | 82 | 101 |
450 | 18 | 400 | 315 | 114 | 440.5 | 565 | 585 | 20-M24/20-M27 | 51 | 38 | 140 | 140 | 4-18 | 23 | 40.95 | - | 10 | 110 | 139 |
500 | 20 | 440 | 348 | 127 | 492 | 620 | 650 | 20-M24/20-M30 | 64 | 41.14 | 140 | 140 | 4-18 | 27 | 44.12 | - | 10 | 148 | 179 |
600 | 24 | 525 | 467 | 154 | 593 | 725 | 770 | 20-M27/20-M33 | 70 | 50.65 | 165 | 165 | 4-22 | 27 | 54.62 | - | 16 | 220 | 283 |
Note: The ED series flange connection complies with DIN2501. For detailed data, please consult the company's sales department.
Oil and gas transportation involves multiple modes such as pipelines and ships, and is the core link of the energy supply chain.

The control of chemical raw materials covers the entire process of mining, storage, and production, ensuring safety and process stability.

High temperature steam pipelines are the core of energy transmission in power systems, supporting the efficient operation of thermal and nuclear power plants.

Valves control fluids in multiple industries such as new energy and electronics, ensuring safe and efficient production.


