A three-way flange ball valve is a valve that controls the flow of medium through the rotation of a ball. It has three channels (one inlet and two outlets or two inlets and one outlet), and the flange connection complies with ANSI, DIN and other standards. Its spherical channel can be T-shaped or L-shaped, and can achieve medium diversion, merging or reversing through 90 ° rotation. It is suitable for systems that require multi-directional flow control such as petrochemicals and water treatment, and has the characteristics of compact structure, reliable sealing and flexible operation.







Part Name | C | P | R |
valve body | WCB | 1Cr18Ni9Ti | 1Cr18Ni12Mo2Ti |
sphere | 2Cr13 | 1Cr18Ni9Ti | 1Cr18Ni12Mo2Ti |
valve stem | 2Cr13 | 1Cr18Ni9Ti | 1Cr18Ni12Mo2Ti |
seal | Polytetrafluoroethylene | Polytetrafluoroethylene | Polytetrafluoroethylene |
PPL | PPL | PPL | |
filler | Polytetrafluoroethylene | Polytetrafluoroethylene | Polytetrafluoroethylene |
flexible graphite | flexible graphite | flexible graphite |

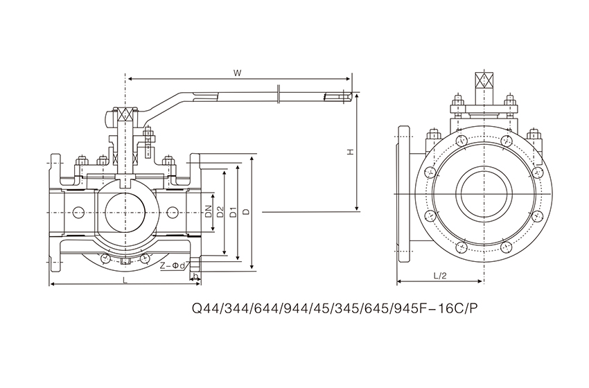
Nominal Diameter | Main external dimensions and connection dimensions (mm) | |||||||
L | D | D1 | D2 | b | Z-Φd | H | W | |
PN1.6MPa | ||||||||
15 | 108 | 95 | 65 | 45 | 14 | 4-14 | 95 | 140 |
20 | 117 | 105 | 75 | 55 | 14 | 4-14 | 105 | 160 |
25 | 127 | 115 | 85 | 65 | 14 | 4-14 | 113 | 180 |
32 | 140 | 135 | 100 | 78 | 16 | 4-18 | 135 | 250 |
40 | 165 | 145 | 110 | 85 | 16 | 4-18 | 142 | 300 |
50 | 178 | 160 | 125 | 100 | 16 | 4-18 | 154 | 350 |
65 | 191 | 180 | 145 | 120 | 18 | 4-18 | 175 | 350 |
80 | 203 | 195 | 160 | 135 | 20 | 8-18 | 190 | 400 |
100 | 229 | 215 | 180 | 155 | 20 | 8-18 | 225 | 500 |
125 | 356 | 245 | 210 | 185 | 22 | 8-18 | 245 | 600 |
150 | 394 | 280 | 240 | 210 | 24 | 8-23 | 265 | 800 |
200 | 457 | 335 | 295 | 265 | 26 | 12-23 | 305 | 800 |
250 | 533 | 405 | 355 | 320 | 30 | 12-25 | 370 | 1300 |
Note: The above data is for reference only. For details, please consult the company's sales department.
Oil and gas transportation involves multiple modes such as pipelines and ships, and is the core link of the energy supply chain.

The control of chemical raw materials covers the entire process of mining, storage, and production, ensuring safety and process stability.

High temperature steam pipelines are the core of energy transmission in power systems, supporting the efficient operation of thermal and nuclear power plants.

Valves control fluids in multiple industries such as new energy and electronics, ensuring safe and efficient production.


