Definition: American standard fixed ball valve is a high-performance valve designed according to American API, ASME and other standards. Its core feature is that the ball is fixed and supported by upper and lower bearings, and will not shift under medium pressure. The valve seat is preloaded by a spring to achieve bidirectional sealing.
Core features:
Fixed structure: The sphere is fixed by upper and lower bearings to reduce operating torque, suitable for high-pressure, large-diameter pipelines (such as Class 150~1500);
Bidirectional sealing: PTFE sealing ring and spring linkage design can maintain sealing performance even after wear, suitable for corrosive media (such as natural gas containing hydrogen sulfide);
Safety redundancy: The fire-resistant structure (compliant with API 607/6FA) can form a metal to metal seal in the event of a fire and has automatic pressure relief function.
Typical applications: long-distance oil and gas pipelines, refining facilities, and high-pressure chemical systems.





PartName | Material | |
GB | ASTM | |
bushing | PTFE&TinBronze | PTFE&TinBronze |
screw | 25 | A105 |
spring | 60Si2Mn | Inconelx-750 |
valvebody | 25 | A105 |
stud | 35CrMoA | A193-B7 |
sphere | WCB+ENP | WCB+ENP |
valveseat | 25 | A105 |
sealingring | PTFE | PTFE |
discspring | 60Si2Mn | AISI9260 |
Valveseatrotationdrivedevice | assembly | |
stemseal | PTFE | PTFE |
bushing | PTFE&TinBronze | PTFE&TinBronze |
UpperStem | 1Cr13 | A182-F6a |
connectingsleeve | 45 | AISIC1045 |
drivemechanism | assembly | |

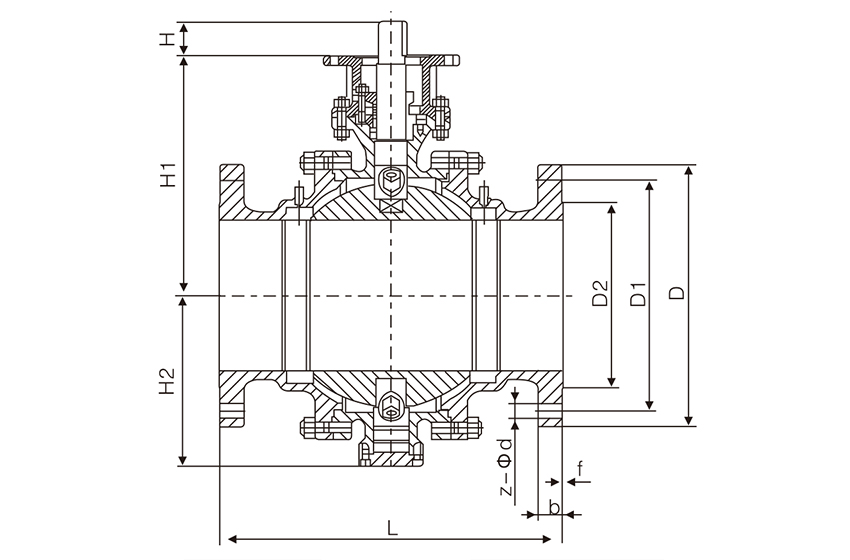
NPS(in) | 150Lb | |||||||||
L | D | D1 | D2 | b | f | z-Φd | H | H1 | H2 | |
2 | 178 | 150 | 120.7 | 92.1 | 14.3 | 2 | 4-19 | 20 | 96 | 92 |
2 1/2 | 191 | 180 | 139.7 | 104.8 | 15.9 | 2 | 4-19 | 25 | 125 | 105 |
3 | 203 | 190 | 152.4 | 127.0 | 17.5 | 2 | 4-19 | 25 | 150 | 120 |
4 | 229 | 230 | 190.5 | 157.2 | 22.3 | 2 | 8-19 | 30 | 200 | 160 |
5 | 356 | 255 | 215.9 | 185.7 | 22.3 | 2 | 8-22 | 40 | 220 | 200 |
6 | 394 | 280 | 241.3 | 215.9 | 23.9 | 2 | 8-22 | 45 | 245 | 210 |
8 | 457 | 345 | 298.5 | 269.9 | 27.0 | 2 | 8-22 | 50 | 280 | 224 |
10 | 533 | 405 | 362.0 | 232.8 | 28.6 | 2 | 12-26 | 60 | 320 | 278 |
12 | 610 | 485 | 431.8 | 381.0 | 30.2 | 2 | 12-26 | 70 | 337 | 306 |
14 | 686 | 535 | 476.3 | 412.8 | 33.4 | 2 | 12-29 | 75 | 374 | 334 |
16 | 762 | 595 | 539.8 | 469.9 | 35.0 | 2 | 16-29 | 75 | 408 | 358 |
18 | 864 | 635 | 577.9 | 533.4 | 38.1 | 2 | 16-32 | 80 | 439 | 390 |
20 | 914 | 700 | 635.0 | 584.2 | 41.3 | 2 | 20-32 | 90 | 492 | 434 |
24 | 1037 | 815 | 749.3 | 692.2 | 46.1 | 2 | 20-35 | 105 | 588 | 523 |
26 | 1143 | 870 | 806.4 | 749 | 66.7 | 2 | 24-35 | 110 | 627 | 564 |
28 | 1245 | 925 | 863.6 | 800 | 69.9 | 2 | 28-35 | 115 | 644 | 658 |
Note: The above data is for reference only. For details, please consult the company's sales department.
Oil and gas transportation involves multiple modes such as pipelines and ships, and is the core link of the energy supply chain.

The control of chemical raw materials covers the entire process of mining, storage, and production, ensuring safety and process stability.

High temperature steam pipelines are the core of energy transmission in power systems, supporting the efficient operation of thermal and nuclear power plants.

Valves control fluids in multiple industries such as new energy and electronics, ensuring safe and efficient production.


