Definition: Fixed cast steel ball valve is a high-strength valve with a cast steel valve body. Its core design is that the ball is fixed to the valve body through upper and lower valve stems, and the ball does not move due to medium pressure during operation. The sealing is achieved by the floating valve seat deforming under pressure and tightly adhering to the ball.
Core features:
Cast steel material: The valve body is made of cast steel, which is resistant to high pressure (1.6~42.0MPa) and corrosive media (such as water, oil, natural gas, etc.).
Fixed sphere structure: The sphere is supported by upper and lower bearings, and the medium pressure is transmitted to the bearings rather than the valve seat, reducing the wear of the sealing surface.
Double sealing mechanism: The valve seat holds the ball tightly through the dual action of spring preload and medium pressure, ensuring sealing reliability under high temperature (-20 ℃~550 ℃) and high pressure.
Low operating torque: The valve stem is equipped with PTFE bearings, which have low opening and closing resistance and are suitable for manual or automated control of large-diameter (DN50~1200) pipelines.
Typical applications: High voltage and highly corrosive media scenarios such as natural gas long-distance pipelines, petrochemicals, and power systems.





PartName | Material | |
GB | ASTM | |
bushing | PTFE&TinBronze | PTFE&TinBronze |
screw | 25 | A105 |
spring | 60Si2Mn | Inconelx-750 |
valvebody | 25 | A105 |
stud | 35CrMoA | A193-B7 |
sphere | WCB+ENP | WCB+ENP |
valveseat | 25 | A105 |
sealingring | PTFE | PTFE |
discspring | 60Si2Mn | AISI9260 |
Valveseatrotationdrivedevice | assembly | |
stemseal | PTFE | PTFE |
bushing | PTFE&TinBronze | PTFE&TinBronze |
UpperStem | 1Cr13 | A182-F6a |
connectingsleeve | 45 | AISIC1045 |
drivemechanism | assembly | |

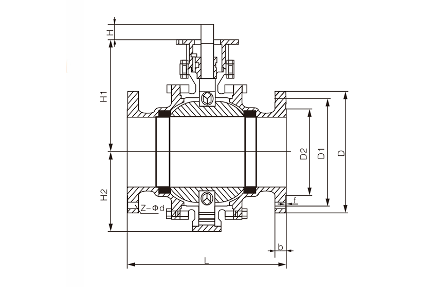
Nominal Diameter | L | D | D1 | D2 | b | f | Z-Φd | H | H1 | H2 |
50 | 203 | 165 | 125 | 102 | 18 | 3 | 4-18 | 20 | 96 | 92 |
65 | 222 | 185 | 145 | 122 | 18 | 3 | 8-18 | 25 | 125 | 105 |
80 | 241 | 200 | 160 | 138 | 20 | 3 | 8-18 | 25 | 150 | 120 |
100 | 305 | 220 | 180 | 158 | 20 | 3 | 8-18 | 30 | 200 | 160 |
125 | 356 | 250 | 210 | 188 | 22 | 3 | 8-18 | 40 | 220 | 200 |
150 | 394 | 285 | 240 | 212 | 22 | 3 | 8-22 | 45 | 245 | 210 |
200 | 457 | 340 | 295 | 268 | 24 | 3 | 12-22 | 50 | 280 | 224 |
250 | 533 | 405 | 355 | 320 | 26 | 3 | 12-26 | 60 | 320 | 278 |
300 | 610 | 460 | 410 | 378 | 28 | 4 | 12-26 | 70 | 337 | 306 |
350 | 686 | 520 | 470 | 438 | 30 | 4 | 16-26 | 75 | 374 | 334 |
400 | 762 | 580 | 525 | 490 | 32 | 4 | 16-30 | 75 | 408 | 358 |
450 | 864 | 640 | 585 | 550 | 40 | 4 | 20-30 | 80 | 439 | 390 |
500 | 914 | 715 | 650 | 610 | 44 | 4 | 20-33 | 90 | 492 | 434 |
600 | 1067 | 840 | 770 | 725 | 54 | 5 | 20-36 | 105 | 588 | 523 |
700 | 1245 | 910 | 840 | 795 | 58 | 5 | 24-36 | 115 | 644 | 658 |
800 | 1372 | 1025 | 950 | 900 | 62 | 5 | 24-39 | 125 | 742 | 746 |
900 | 1524 | 1125 | 1050 | 1000 | 64 | 5 | 28-39 | 140 | 812 | 807 |
Note: The pressure range is 1.6MPa~16.0MPa. The above data is for reference only. Please consult the company's sales department for details.
Oil and gas transportation involves multiple modes such as pipelines and ships, and is the core link of the energy supply chain.

The control of chemical raw materials covers the entire process of mining, storage, and production, ensuring safety and process stability.

High temperature steam pipelines are the core of energy transmission in power systems, supporting the efficient operation of thermal and nuclear power plants.

Valves control fluids in multiple industries such as new energy and electronics, ensuring safe and efficient production.


