A valve that achieves full open or full close control by driving the gate plate through the rotation of the valve stem. The valve stem is a hidden stem structure (does not rise or fall with the gate plate), designed with cast iron/stainless steel valve body and elastic sealing ring (such as rubber). The deformation compensation of the sealing ring is used to achieve high sealing performance, effectively preventing leakage and rust. Compact structure and easy operation, suitable for medium opening and closing of pipeline systems such as tap water, sewage, petrochemical, and construction, but not suitable for flow regulation.






Part Name | Material |
Valve body | Grey cast iron, ductile iron, cast steel |
Ram | Ductile iron coated with EPDM or nitrile rubber |
Hex socket head bolt | Carbonization treatment |
Sealing ring | Nitrile rubber |
Valve cover | Grey cast iron, ductile iron, cast steel |
Valve stem | Stainless steel (45 #, 1Cr13, 304, 416, 316) |
O-ring seal | Nitrile rubber |
Thrust bearing | Tin bronze |
Bolt | Stainless steel |
Cover pressing | Ductile iron, cast steel |
Dust cover | Nitrile rubber |
Handwheel (transmission cap) | Cast iron, ductile iron |

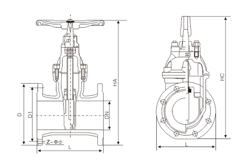
Nominal Diameter DN(mm) | D | D1 | Z-Φd | L | H | ||
PN1.0/1.6MPa | PN1.0MPa | PN1.6MPa | PN1.0MPa | PN1.6MPa | |||
50 | 165 | 125 | 125 | 4-19 | 4-19 | 178 | 340 |
65 | 185 | 145 | 145 | 4-19 | 4-19 | 190 | 370 |
80 | 200 | 160 | 160 | 8-19 | 8-19 | 203 | 410 |
100 | 220 | 180 | 180 | 8-19 | 8-19 | 229 | 450 |
125 | 250 | 210 | 210 | 8-19 | 8-19 | 254 | 480 |
150 | 285 | 240 | 240 | 8-23 | 8-23 | 267 | 550 |
200 | 340 | 295 | 295 | 8-23 | 12-23 | 292 | 630 |
250 | 405 | 350 | 355 | 12-23 | 12-28 | 330 | 750 |
300 | 460 | 400 | 410 | 12-23 | 12-28 | 356 | 820 |
350 | 520 | 460 | 470 | 16-28 | 16-28 | 381 | 980 |
400 | 580 | 515 | 525 | 16-28 | 16-31 | 406 | 1010 |
450 | 640 | 565 | 585 | 20-28 | 20-31 | 432 | 1270 |
500 | 715 | 620 | 650 | 20-28 | 20-34 | 457 | 1270 |
600 | 840 | 725 | 770 | 20-31 | 20-37 | 508 | 1390 |
Note: The pressure range is 1.0MPa-2.5MPa. The above data is for reference only. Please consult the company's sales department for details.
Oil and gas transportation involves multiple modes such as pipelines and ships, and is the core link of the energy supply chain.

The control of chemical raw materials covers the entire process of mining, storage, and production, ensuring safety and process stability.

High temperature steam pipelines are the core of energy transmission in power systems, supporting the efficient operation of thermal and nuclear power plants.

Valves control fluids in multiple industries such as new energy and electronics, ensuring safe and efficient production.


