The valve body adopts a one-piece molding process (casting or forging), without a separate connection structure, with high strength and low leakage risk, especially suitable for high pressure, high temperature or harsh working conditions (such as petroleum and chemical pipelines), reliable sealing and strong impact resistance, and low maintenance costs.






part | valve shaft | valve body | sphere | valve seat |
material | Carbon steel, stainless steel | Ductile iron, carbon steel, 304/316/316L stainless steel | 304/316/316L stainless steel | Sealing: High strength wear-resistant carbon stone ink (M), PPL |

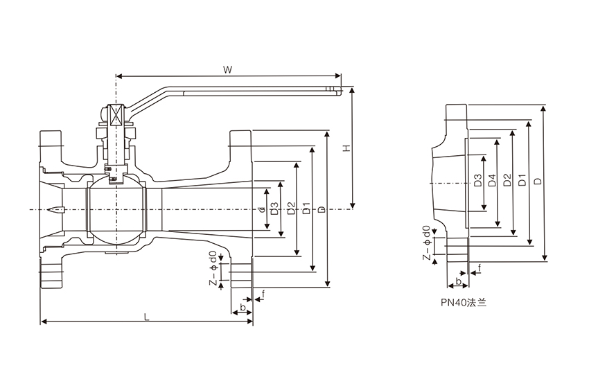
Nominal Diameter | PN1.6MPa | weight | |||||||||||
L | d | D | D1 | D2 | D3 | D4 | b | f | Z-Φd0 | W | H | ||
40 | 165 | 28 | 145 | 110 | 85 | 38 | - | 16 | 3 | 4-18 | 150 | 100 | 7 |
50 | 178 | 38 | 160 | 125 | 100 | 51 | - | 16 | 3 | 4-18 | 200 | 132 | 9 |
65 | 190 | 50 | 180 | 145 | 120 | 64 | - | 18 | 3 | 4-18 | 250 | 142 | 12 |
80 | 203 | 57 | 195 | 160 | 135 | 76 | - | 20 | 3 | 8-18 | 300 | 163 | 16 |
100 | 229 | 76 | 215 | 180 | 155 | 102 | - | 20 | 3 | 8-18 | 350 | 178 | 28 |
150 | 394 | 102 | 280 | 240 | 210 | 152 | - | 24 | 3 | 8-23 | 500 | 230 | 53 |
PN2.5MPa | |||||||||||||
40 | 165 | 28 | 145 | 110 | 85 | 38 | - | 18 | 3 | 4-18 | 150 | 100 | 7 |
50 | 178 | 38 | 160 | 125 | 100 | 51 | - | 20 | 3 | 4-18 | 200 | 132 | 10 |
65 | 190 | 50 | 180 | 145 | 120 | 64 | - | 22 | 3 | 8-18 | 250 | 142 | 13 |
80 | 203 | 57 | 192 | 160 | 135 | 76 | - | 22 | 3 | 8-18 | 300 | 163 | 17 |
100 | 229 | 76 | 230 | 190 | 160 | 102 | - | 24 | 3 | 8-23 | 350 | 178 | 30 |
150 | 394 | 102 | 300 | 250 | 218 | 152 | - | 30 | 3 | 8-25 | 500 | 230 | 56 |
PN4.0MPa | |||||||||||||
40 | 190 | 28 | 145 | 110 | 85 | 38 | 76 | 18 | 3 | 4-18 | 150 | 100 | 7 |
50 | 216 | 38 | 160 | 125 | 100 | 51 | 88 | 20 | 3 | 4-18 | 200 | 132 | 10 |
65 | 241 | 50 | 180 | 145 | 120 | 64 | 110 | 22 | 3 | 8-18 | 250 | 142 | 13 |
80 | 283 | 57 | 195 | 160 | 135 | 76 | 121 | 22 | 3 | 8-18 | 300 | 164 | 17 |
100 | 305 | 76 | 230 | 190 | 160 | 102 | 150 | 24 | 3 | 8-23 | 350 | 183 | 30 |
150 | 403 | 102 | 300 | 250 | 218 | 152 | 204 | 30 | 3 | 8-25 | 500 | 230 | 56 |
Oil and gas transportation involves multiple modes such as pipelines and ships, and is the core link of the energy supply chain.

The control of chemical raw materials covers the entire process of mining, storage, and production, ensuring safety and process stability.

High temperature steam pipelines are the core of energy transmission in power systems, supporting the efficient operation of thermal and nuclear power plants.

Valves control fluids in multiple industries such as new energy and electronics, ensuring safe and efficient production.


