Definition: The national standard floating ball valve is a valve that complies with the national standard (GB). Its core structure is a floating ball (without a fixed support shaft), which relies on the pressure of the medium to push the ball to press the outlet valve seat and achieve sealing.
Core features:
Structural design:
The sphere can float freely and be connected to the handle/drive device through the valve stem to achieve 90 ° rotation opening and closing;
Adopting a double line sealed valve seat, combined with spring preload and medium pressure to enhance sealing performance;
Configure anti-static, fireproof, and valve stem anti flying structures to enhance safety.
Performance parameters:
Pressure range: covering 0.6~42.0MPa;
Temperature range: -196 ℃~550 ℃, suitable for ordinary or corrosive media (such as water, oil, natural gas, acid and alkali, etc.);
Low flow resistance full diameter: With low fluid resistance, it is suitable for high flow scenarios such as petroleum and chemical industries.
Materials and standards:
The valve body material includes cast steel, stainless steel, etc., and the valve seat can be selected from polytetrafluoroethylene (PTFE) or metal hard seal;
Compliant with national standard GB and international standards (such as DIN, API), compatible with flange, thread and other connection methods.
Typical applications: Medium and low voltage pipelines in petrochemical, natural gas transportation, power systems, etc., especially suitable for scenarios containing hydrogen sulfide and highly corrosive media.





Part Name | Material | |
GB | ASTM | |
valve body | WCB | A216-WCB |
sealing ring | PTFE/PEEK | PTFE/PEEK |
sphere | 1Cr18Ni9Ti | ss304 |
nut | 35 | A194-2H |
stud | 35CrMoA | A193-B7 |
Right body | WCB | A216-WCB |
shim | Flexible graphite+stainless steel | B12.10-304/F.G |
filler | PTFE | PTFE |
gland | WCB | A216-WCB |
positioning piece | 25 | A105 |
retaining ring | 65Mn | AISI1066 |
handle | WCB | A216-WCB |
valve stem | 2Cr13 | A276-410 |
screw | 35 | A193-B7 |
thrust washer | PTFE | PTFE |

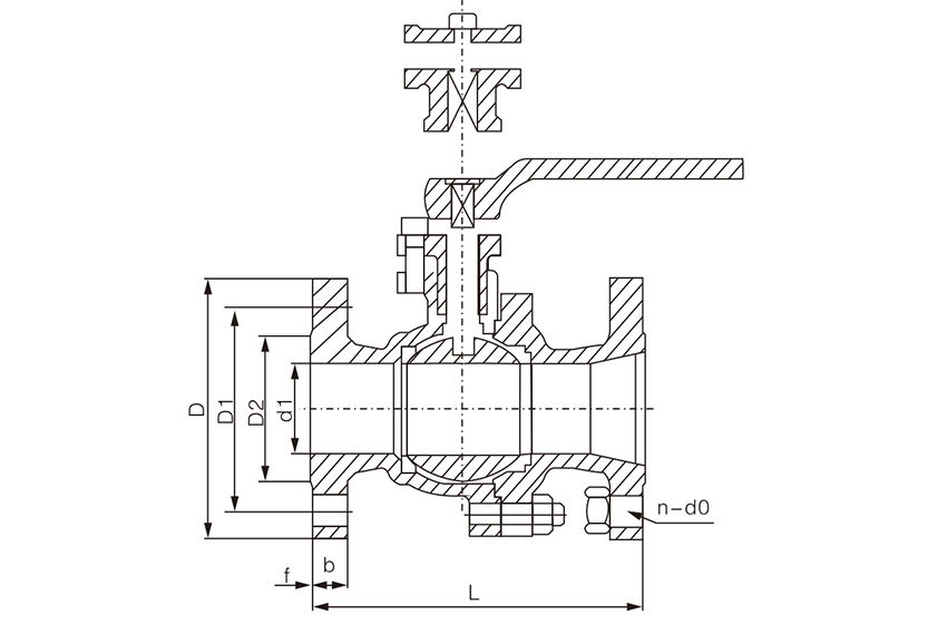
Nominal Diameter | PN1.6MPa | |||||||
d1 | L | D | D1 | D2 | b | f | Z-Φd | |
25 | 25 | 150 | 115 | 85 | 65 | 14 | 2 | 4-14 |
32 | 32 | 165 | 140 | 100 | 78 | 16 | 2 | 4-18 |
40 | 40 | 180 | 150 | 110 | 85 | 16 | 3 | 4-18 |
50 | 50 | 203 | 165 | 125 | 100 | 16 | 3 | 4-18 |
65 | 65 | 222 | 185 | 145 | 120 | 18 | 3 | 4-18 |
80 | 80 | 241 | 200 | 160 | 135 | 20 | 3 | 8-18 |
100 | 100 | 305 | 220 | 180 | 155 | 20 | 3 | 8-18 |
125 | 125 | 356 | 250 | 210 | 185 | 22 | 3 | 8-18 |
150 | 150 | 394 | 285 | 240 | 210 | 24 | 3 | 8-23 |
200 | 200 | 457 | 340 | 295 | 265 | 26 | 3 | 12-23 |
Note: The pressure range is 1.6MPa~16.0MPa. For details, please consult the company's sales department.
Oil and gas transportation involves multiple modes such as pipelines and ships, and is the core link of the energy supply chain.

The control of chemical raw materials covers the entire process of mining, storage, and production, ensuring safety and process stability.

High temperature steam pipelines are the core of energy transmission in power systems, supporting the efficient operation of thermal and nuclear power plants.

Valves control fluids in multiple industries such as new energy and electronics, ensuring safe and efficient production.


