A dynamic flow balance valve is a type of valve that can automatically maintain a constant flow rate in a pipeline system. It responds in real-time to changes in pipeline pressure through a built-in mechanical structure (such as a spring diaphragm or differential pressure sensing device), dynamically adjusts the valve core opening, and ensures that the set flow rate is not affected by pressure fluctuations. Its core feature is that it does not require external energy and relies on the fluid's own pressure difference to drive, making it suitable for systems such as HVAC and district heating. Compared to static balance valves, it can actively eliminate hydraulic imbalance, avoid excessive flow waste, reduce water pump energy consumption by more than 20%, and reduce the need for manual debugging. Typical design integrates flow scale display and tamper proof locking function, with some models supporting bidirectional installation and featuring globe valve characteristics.





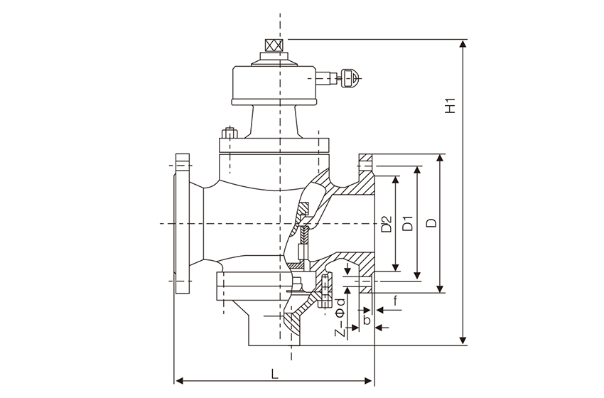
Part Name | valve body | valve stem | valve disc | diaphragm |
material | Grey cast iron, cast steel | stainless steel | bronze casting | Nitrile rubber |

Nominal diameter DN (mm) | L | D | D1 | Z-φd | H1 | H2 | Flow contro range |
40 | 200 | 145 | 110 | 4-18 | 191 | 147 | 1-6 |
50 | 215 | 160 | 125 | 4-18 | 197 | 147 | 2-10 |
65 | 230 | 180 | 145 | 4-18 | 205 | 154 | 3-15 |
80 | 275 | 195 | 160 | 8-18 | 259 | 181 | 5-25 |
100 | 290 | 215 | 180 | 8-18 | 268 | 211 | 10-35 |
125 | 310 | 245 | 210 | 8-18 | 334 | 227 | 15-50 |
150 | 350 | 280 | 240 | 8-22 | 357 | 260 | 30-80 |
200 | 430 | 335 | 295 | 12-22 | 407 | 303 | 40-180 |
250 | 520 | 405 | 355 | 12-26 | 452 | 367 | 100-300 |
300 | 635 | 460 | 410 | 12-26 | 486 | 430 | 150-500 |
350 | 670 | 520 | 470 | 16-26 | 555 | 495 | 200-700 |
Note: The above data is for reference only. For details, please consult the company's sales department.
Oil and gas transportation involves multiple modes such as pipelines and ships, and is the core link of the energy supply chain.

The control of chemical raw materials covers the entire process of mining, storage, and production, ensuring safety and process stability.

High temperature steam pipelines are the core of energy transmission in power systems, supporting the efficient operation of thermal and nuclear power plants.

Valves control fluids in multiple industries such as new energy and electronics, ensuring safe and efficient production.


